Recherche un produit  
Electronique - Sono - Lumière
Sécurité - Surveillance Vidéo
    
 
Catalogue » Antennes & Sat » Modulateurs

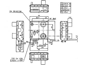
Titre: Modulateur RF
Quantité:
Article indisponible
Description: Ce modulateur RF léger et compact peut être monté directement sur la carte mère de l'appareil en question. Utilisez-le avec un magnétoscope, un récepteur satellite, un disque laser, etc. Le modulateur utilise le système PAL-G.
Caractéristiques
  • excellente qualité vidéo et audio
  • amplificateur d'antenne à gain élevé
  • excellente stabilité de fréquence à une température de 0° à 60°C
  • compact et fiable
  • générateur de signal test pour réglage et test

Spécifications
  • système: PAL-G
  • canal préprogrammé: CH36
  • réglage du canal: entre CH28 et CH41
  • générateur réglable N/B incorporé
  • vidéo:
    • niveau d'entrée vidéo: 1Vp-p
    • niveau de modulation vidéo: 75%
    • impédance d'entrée vidéo: 75 ohm non balancé
    • phase différentielle: 10° max
    • gain différentiel: 10% max
  • audio:
    • niveau d'entrée: 1Vp-p 100% modulation à 1KHz
    • facteur de modulation: 100% mod. ± 50KHz
    • impédance d'entrée: 10k ohm min. non balancé
    • distorsion harmonique totale: 3% max.
    • rapoort S/B audio: 45dB min.
  • RF:
    • canal de sortie: UHF 30-40 (CCIR) (réglage d'usine CH36 (591.25MHz±0.5 MHz) sinon consultez la notice de l'appareil connecté)
    • niveau de sortie: 70db V ±4
    • différence en niveau de sortie (visuel vers audio): -16dB ±4
    • signal parasite dans la bande assignée: -60dB
    • signal parasite en dehors de la bande assignée: -40dB
    • stabilité de la fréquence porteuse: ±600KHz de 0°C à 60°C
  • amplificateur RF de l'antenne:
    • plage de fréquence: 47 - 862MHz
    • impédance d'entrée & de sortie: 75 ohm
    • gain: 4..dB ±3
  • tension d'alimentation: 5Vcc
  • consommation: 60mA
  • connecteur RF pour entrée d'antenne RF et sortie TV




Modulateur RF, cliquez pour agrandir
Photo non contractuelle