Recherche un produit  
Electronique - Sono - Lumière
Sécurité - Surveillance Vidéo
    
 
Catalogue » Composants » Fusibles

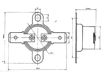
Titre: Interrupteur Thermique - NF - 90°C
Quantité:
Article indisponible
Description: S'utilise pour le contrôle automatique de la température et pour la protection contre la surchauffe d'appareils ménagers et autres appareils électriques.
Spécifications
  • température de travail: 90°C
  • type: normalement fermé
  • dépassement temporaire de la température ("overshoot"): 5-10°C / minute
  • résistance diélectrique: 1500Vca / 1 minute
  • gamme de température: 60° - 160°C
  • tolérance d'opération: ± 5%
  • tension d'entrée: 240Vac
  • fonction remise à zero automatique (reset)
  • durée de vie des contacts (charge résistive): 240Vac / 6A - 30000 cycles
  • résistance diélectrique: 1500Vac / 1minute





Interrupteur Thermique - NF - 90°C, cliquez pour agrandir
Photo non contractuelle