Recherche un produit
Electronique - Sono - Lumière
Sécurité - Surveillance Vidéo
Catalogue
»
Composants
»
Interrupteurs & Commutateurs
Titre:
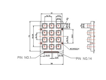
Clavier Metallique a 12 Touches
Quantité:
Article indisponible
Voir les produits disponibles dans cette catégorie
Description:
Caractéristiques
sortie point commun
claviers élastomères standard
étanches
Spécifications
contacts: 20mA / 24Vcc
résistance de contact: 200ohm max.
durée de vie: 1000000 contacts par touche
température de travail: -20°C à +60°C
couleur: noir avec touches métalliques
Photo non contractuelle
Copyright © 2009 Transistek.com |
Plan du site
|
Conditions générale de vente