Recherche un produit  
Electronique - Sono - Lumière
Sécurité - Surveillance Vidéo
    
 
Catalogue » Composants » Interrupteurs & Commutateurs

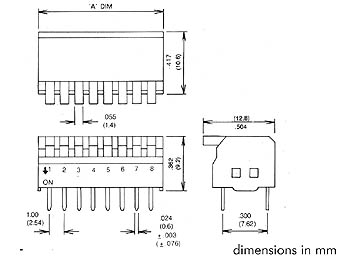
Titre: Interrupteur DIP Piano 5 Positions
Quantité:
Article indisponible
Description:
Spécifications
  • nombre de commutateurs: 5
  • longueur: 13.88mm
  • durée de vie mécanique: min. 5000 manoeuvres par interrupteur
  • durée de vie électrique: min. 2000 manoeuvres par interrupteur, 50mA/24Vcc
  • valeurs:
    • non commutant: 100mA, 50Vcc
    • commutant: 50mA, 24Vcc
  • circuit:
    • SPST
    • notre norme : "enfoncer = on"
    • "enfoncer = off" est une option
  • matériaux et finition:
    • emboîtement: UL94-VO, PBT. PBT est renforcé à la fibre de verre
    • base: UL94-VO, PBT. PBT est renforcé à la fibre de verre
    • commandes d'actionnement: UL94-VO, PBT. PBT est renforcé à la fibre de verre
    • connexions: bronze phosphoreux avec une couche de 3 micropouces d'or sur nickel
    • étanchement: film de polyester
  • spécifications électriques et mécaniques:
    • contacts:
      • (a): 50Vcc 100mA situation constante
      • (b): 24Vcc 50mA marche/arrêt
    • résistance de contact (à courant de 100mA):
      • (a): résistance initiale max. 30mohm
      • (b): 100mohm max. après test de durabilité
    • résistance d'isolement (tension 500Vcc): min. 1000Mohm entre des connexions voisines
    • capacité: 5pF entre des connexions voisines
    • résistance diélectrique: 500Vcc / 1 minute
    • température de travail: pas de pannes lors d'un usage entre -40°C à +70°C
    • résistance à la forme d'one 'dent de scie': 20gr 11ms, où le délai max. d'ouverture des contacts est 10ms
    • vibration: méthode MIL-STD-202F, fréquence : 10-55Hz / 1 minute
    • marques: spéciales aux côtés ou sur le dessus (option)
  • emballage:
    • tous les interrupteurs DIP sont livrés dans un tube CI standard avec leurs pôles dans la position OFF





Interrupteur DIP Piano 5 Positions, cliquez pour agrandir
Photo non contractuelle