Recherche un produit  
Electronique - Sono - Lumière
Sécurité - Surveillance Vidéo
    
 
Catalogue » Composants » Interrupteurs & Commutateurs » Interrupteurs à Clef

Titre: Interrupteur Bipolaire
Référence: 5730
Stock: 1
Prix:7,36 € HT ( 8,80 € TTC)
Quantité:
Description:
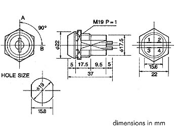
Spécifications
  • interrupteur: 2P off-on (DPST)
  • contacts: 2A / 250Vca
  • Ø= de perçage: 19mm
  • épaisseur max. panneau: 19mm
  • anti-poussière
  • la clé peut être retirée dans les 2 positions
  • 150 combinaisons
  • clapets de protection: CAP3, CAP4





Interrupteur Bipolaire, cliquez pour agrandir
Photo non contractuelle