Recherche un produit  
Electronique - Sono - Lumière
Sécurité - Surveillance Vidéo
    
 
Catalogue » Composants » Potentiomètres

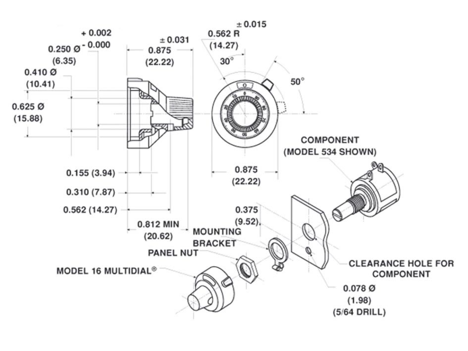
Titre: Bouton Analogique de Reglage - 15 Tours
Quantité:
Article indisponible
Description: Une excellente gamme de boutons de réglage analogiques pour compléter la série HP, série populaire de potentiomètres 10 tours (Citec 5930).
Caractéristiques
  • fourni avec dispositif de verrouillage pour éviter les mouvements involontaires
  • à utiliser avec des potentiomètres de précision et autres appareils rotatifs

Spécifications
  • Ø=22.2mm (7/8")
  • tours: 15
  • divisions du bouton de réglage (par tour): 50
  • boîtier: aluminium
  • Ø= de l' axe: 6.35mm max.(1/4")
  • lisibilité sur 10 tours: 2/1000



Manuel d'utilisation


Bouton Analogique de Reglage - 15 Tours, cliquez pour agrandir
Photo non contractuelle