Recherche un produit  
Electronique - Sono - Lumière
Sécurité - Surveillance Vidéo
    
 
Catalogue » Composants » Potentiomètres

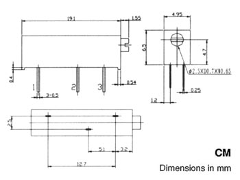
Titre: Cermet Trimmer Multi-turn 100K
Quantité:
Article indisponible
Description: Ajustables multitours professionnels. L'élément de résistance à piste cermet offre une excellente stabilité et une haute résolution. L'ajustable est actionné par une vis et ces deux arrêts sont équipés d'un limiteur. L'embout arrêtoir est marqué par un clic audible. Le boîtier en plastique bleu résiste à la plupart des solvants pour CI.
Caractéristiques
  • MEC CITEC 443PW
  • horizontal mounting
  • horizontal adjustment
  • pin layout: triangle
  • range: 10E to 2M (E3 series)

Spécifications
  • power rating: 0.75W at 70°C
  • tolerance: ±10%
  • working voltage: 400Vdc
  • rotation:
    • electrical: 15 turns nom.
    • mechanical: 18 turns nom.





Cermet Trimmer Multi-turn 100K, cliquez pour agrandir
Photo non contractuelle