Recherche un produit  
Electronique - Sono - Lumière
Sécurité - Surveillance Vidéo
    
 
Catalogue » Composants » Potentiomètres

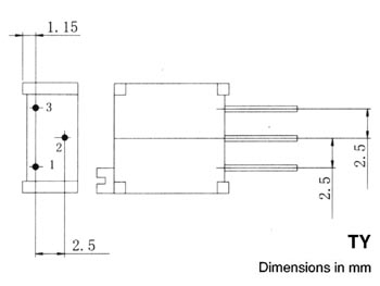
Titre: Cermet Trimmer Multi-turn 200E
Quantité:
Article indisponible
Description: Ajustables multitours professionnels. L'élément de résistance à piste cermet offre une excellente stabilité et une haute résolution. L'ajustable est actionné par une vis et ces deux arrêts sont équipés d'un limiteur. L'embout arrêtoir est marqué par un clic audible. Le boîtier en plastique bleu résiste à la plupart des solvants pour CI.
Caractéristiques
  • MEC CITEC 4290Y
  • vertical mounting
  • vertical adjustment
  • pin layout: triangle
  • range: 100E to 1M (E3 series)

Spécifications
  • power rating: 0.5W at 70°C
  • tolerance: ±10%
  • working voltage: 300Vdc max.
  • rotation:
    • electrical: 22 turns nom.
    • mechanical: 25 turns nom.





Cermet Trimmer Multi-turn 200E, cliquez pour agrandir
Photo non contractuelle