Recherche un produit  
Electronique - Sono - Lumière
Sécurité - Surveillance Vidéo
    
 
Catalogue » Composants » Potentiomètres

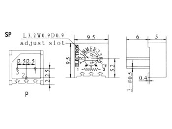
Titre: Cermet Trimmer Single-turn 5k
Quantité:
Article indisponible
Description: Ajustables carrés de 10mm. La piste cermet assure une excellente stabilité et une grande fiabilité. Cette version pour CI existe en plusieurs versions : avec réglage par dessus ou réglage par le côté. Tous les composants sont traités afin de résister aux solvants pour CI.
Caractéristiques
  • CITEC 4295P
  • horizontal mounting
  • vertical adjustment
  • pin layout: triangle
  • range: 10E to 2M (E3 series)

Spécifications
  • power rating: 0.5W at 85°C
  • temperature range: -55°C to +125°C
  • tolerance: ±10%
  • working voltage: 300Vdc
  • rotation:
    • electrical: 270°
    • mechanical: 300°





Cermet Trimmer Single-turn 5k, cliquez pour agrandir
Photo non contractuelle