Recherche un produit
Electronique - Sono - Lumière
Sécurité - Surveillance Vidéo
Catalogue
»
Composants
»
Potentiomètres
Titre:
Flèche pour Bouton 28mm (Vert)
Quantité:
Article indisponible
Voir les produits disponibles dans cette catégorie
Description:
Spécifications
colour: green
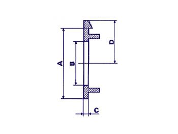
dimensions:
for button Ø=: 28mm
A28mm
B17mm
C1.5mm
D17mm
Photo non contractuelle
Copyright © 2009 Transistek.com |
Plan du site
|
Conditions générale de vente