Recherche un produit
Electronique - Sono - Lumière
Sécurité - Surveillance Vidéo
Catalogue
»
Composants
»
Potentiomètres
Titre:
Flèche pour Bouton 36mm Rouge
Quantité:
Article indisponible
Voir les produits disponibles dans cette catégorie
Description:
Spécifications
colour: red
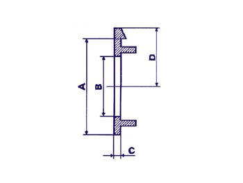
dimensions:
for button Ø=: 36mm
A36mm
B24mm
C1.5mm
D22mm
Photo non contractuelle
Copyright © 2009 Transistek.com |
Plan du site
|
Conditions générale de vente