Recherche un produit
Electronique - Sono - Lumière
Sécurité - Surveillance Vidéo
Catalogue
»
Composants
»
Potentiomètres
Titre:
Flèche pour Bouton 45mm (Jaune)
Quantité:
Article indisponible
Voir les produits disponibles dans cette catégorie
Description:
Spécifications
colour: yellow
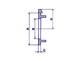
dimensions:
for button Ø=: 45mm
A45mm
B24mm
C1.5mm
D28.5mm
Photo non contractuelle
Copyright © 2009 Transistek.com |
Plan du site
|
Conditions générale de vente