Recherche un produit  
Electronique - Sono - Lumière
Sécurité - Surveillance Vidéo
    
 
Catalogue » Composants » Potentiomètres

Titre: Potentiometre Lin Mono Avec Interrupteur 2K
Quantité:
Article indisponible
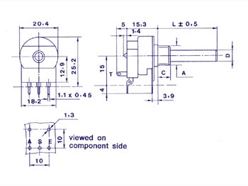
Description: Potentiomètres rotatifs de 20mm avec piste de carbone pour applications CI. Boîtier métallique et axe en plastique (Ø= 6mm). Interrupteur unipolaire optionnel (1A - 24VCC / 0.3A - 250VCA).
Caractéristiques
  • linéaire (série A)
  • mono
  • interrupteur
  • RADIOHM

Spécifications
  • plage de résistance: 100E à 4M7 (série E3)
  • puissance de dissipation max.: 0.4W
  • tolérance: ±20%
  • tension de travail max.: 500Vcc
  • plage de température: -10°C à +70°C
  • rotation électrique: 300° ± 5°





Potentiometre Lin Mono Avec Interrupteur 2K, cliquez pour agrandir
Photo non contractuelle