Recherche un produit  
Electronique - Sono - Lumière
Sécurité - Surveillance Vidéo
    
 
Catalogue » Composants » Potentiomètres

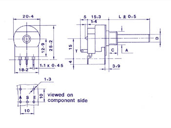
Titre: Potentiometre Log Mono Avec Interrupteur 1M
Quantité:
Article indisponible
Description: Potentiomètres rotatifs de 20mm avec piste de carbone pour applications CI. Boîtier métallique et axe en plastique (Ø= 6mm). Interrupteur unipolaire optionnel (1A - 24VCC / 0.3A - 250VCA).
Caractéristiques
  • logarythmique (série B)
  • mono
  • interrupteur
  • RADIOHM

Spécifications
  • plage de résistance: 1K à 2M2 (série E3)
  • puissance de dissipation max.: 0.2W
  • tolérance: ±20%
  • tension de travail max.: 500Vcc
  • plage de température: -10°C à +70°C
  • rotation électrique: 300° ± 5°





Potentiometre Log Mono Avec Interrupteur 1M, cliquez pour agrandir
Photo non contractuelle