Recherche un produit
Electronique - Sono - Lumière
Sécurité - Surveillance Vidéo
Catalogue
»
Composants
»
Potentiomètres
Titre:
Potentiometre Log Stereo 1M
Quantité:
Article indisponible
Voir les produits disponibles dans cette catégorie
Description:
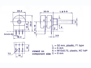
Potentiomètres rotatifs de 20mm avec piste de carbone pour applications CI. Boîtier métallique et axe en plastique (Ø= 6mm). Interrupteur unipolaire optionnel (1A - 24VCC / 0.3A - 250VCA).
Caractéristiques
logarythmique (série B)
sans interrupteur
stéréo
RADIOHM
Spécifications
plage de résistance: 1K à 2M2 (série E3)
puissance de dissipation max.: 0.2W
tolérance: ±20%
tension de travail max.: 500Vcc
plage de température: -10°C à +70°C
rotation électrique: 300° ± 5°
Photo non contractuelle
Copyright © 2009 Transistek.com |
Plan du site
|
Conditions générale de vente